Berührungslose Referenzsensoren
Produktbezeichnung: AV-DRS-020
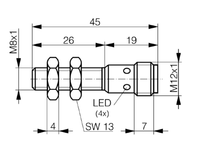
Der digitale Wirbelstrom-Referenzsensor Modell DRS-020 ist ein kontaktloser, berührungsloser Referenzsignalsensor. Der Referenzsignalsensor wird in der Überwachung von rotierenden Maschinen zur Analyse eingesetzt. Der Sensor erkennt ein auf die Welle geklebtes Metallziel und liefert ein digitales Signal an das Überwachungssystem. Der Abstand zwischen dem Messobjekt und der Sensorspitze muss unter 2 mm liegen. Die eingebaute LED ermöglicht die Überprüfung des korrekten Sensorbetriebs. Die Wirbelstrom-Näherungsschalter reagieren nur auf Metallteile und sind somit unempfindlich gegen Verschmutzung. Der eingebettete Sensorkopf macht ihn robust gegen mechanische Stöße. Die eingebaute Elektronik ist gegen Kurzschluss, induzierte Überspannung und Verpolung der Stromversorgung geschützt. Der DRS-020 enthält ein Verlängerungskabel, ein metallisches Zielobjekt und ein Paket mit Klebstoff.
Spezifikationen
Elektrische Eigenschaften | |
Spannungsversorgung | +10 V DC bis +30 V DC |
Stromverbrauch | ca. 10 mA |
Signalausgang - Puls | ca. 24 V DC |
Nennschaltabstand | 2 mm |
Hysterese | < 10 % |
Wiederhol-Genauigkeit | 0,04 mm |
Ausgangsstrom | < 200 mA |
Ausgangsspannungsabfall bei 200mA | < 2 V |
Leerlaufstrom | < 10 mA |
Leckstrom | < 100 µA |
Schaltfrequenz | < 3 kHz |
Zeitverzögerung bis zur Verfügbarkeit | 10 ms |
LED-Anzeige | Eingebaut |
Umgebungsbedingungen | |
Betrieb | -25° bis +70 °C |
Lagerung | -40° bis 80 °C |
Schutzart Sensor | IP67 |
Schutzart Anschlussstecker | IP67 |
Stoß- und Vibrationsbeständigkeit | IEC 60947-5-2/7,4 |
EMV Schutz | IEC 60255-5 1kV, IEC 61000-4-2 Stufe 3, IEC 61000-4-3, Stufe 3, IEC 6100-4-4 Stufe 3 |
Abmessungen | |
Abmessungen | Gewindegehäuse M8 x 1 |
Anschluss | S12, Gegenstecker M12 |
Anschlussbelegung | Braun: Spannungsversorgung |


Bestellcodierung AV-06.020.000
Der AV-DRS-020 enthält : 10 m Anschlusskabel, metallisches Ziel (20 x 10 x 3 mm), Klebstoff (Loctite 330).

Sie möchten mehr erfahren?
Gerne. Vereinbaren Sie Ihren persönlichen Beratungstermin mit Roland Peintner.

